• Netter往復式振動器NTS型: - 目錄索取

    特點:

    頻率,振幅無限可調整運轉,防爆規格,可以瞬間停止及起動。安靜無聲。振動具有方向性。


    型號以及功能數據、本體尺寸圖,如下所示


    設計和功能:

    ・NTS型是線性振動的振動器,在振動時具有方向性。

    ・在內部氣壓緩衝可以產生不同的振動。

    ・頻率可以隨著氣壓調整而隨時改變。

    ・可以非常準確的起動及停止運轉。

    ・內部活塞經過特殊表面處理,運轉壽命非常長久。

    ・一個3口2位的電磁閥及三點組合,在操作時是需要的。

    ・也可以要求免潤滑劑的規格。


    應用範圍及特點:

    線性的NTS型振動器,適用大型下料桶及隧道灌漿,由於它的線性振動,它特別適合整密堆狀的原料,如水泥工業整密台,因為它的起動及停止非常準確,還有它的耐磨耗特性,是一個應用非常廣泛的振動器。


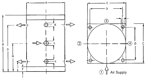
    NTS 本體尺寸圖:


    NTS 型號及尺寸:


    NTS 型號及功能:


    *)Air consumption with silencers. Without silencers the consumption is higher, but the vibrator also has more force.


    NTS 型號及尺寸:


    NTS 型號及功能: